切换导航
首页
资讯中心
行业聚焦
网站动态
会展动态
热点资讯
团体标准
数据共享
数据服务
权威专题数据
自然环境腐蚀数据
业界视点
高端访谈
深度解析
专题专栏
行业专题
会议专题
科普专题
产经专栏
企业理事会
供需平台
业界动态
会员风采
科普专栏
科普动态
科普活动
科普PPT
科普视频
科普讲堂
试验资源
试验台站
检测分析
环试服务
检测服务
防护技术
技术应用
技术成果
信息资源
科普期刊
专家库
企业库
招聘信息
其他信息
培训信息
成果鉴定
关于我们
网站简介
网站机构
联系我们
搜索
首页
>
腐蚀新闻
>
腐蚀科普
耐硫酸、氢氟酸、硝酸、盐酸腐蚀材料选用图
2026-02-27 15:58:39
作者:化工设备与机械
来源:化工设备与机械
分享至:
耐硫酸腐蚀材料选用图
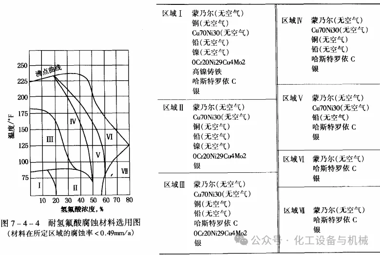
耐氢氟酸腐蚀材料选用图
耐硝酸腐蚀材料选用图
耐盐酸腐蚀材料选用图
免责声明:本网站所转载的文字、图片与视频资料版权归原创作者所有,如果涉及侵权,请第一时间联系本网删除。
标签:
相关文章
无相关信息
官方微信
《腐蚀与防护网电子期刊》征订启事
投稿联系:
编辑部
电话:
010-62316606
邮箱:
fsfhzy666@163.com
腐蚀与防护网官方QQ群:
140808415
文章推荐
英北海油气管道因腐蚀泄露 业内危机感加...
防治船舶锚链锈蚀损坏简便易用方法...
腐蚀环境对暖气片性能的影响...
防腐蚀材料多数易燃易爆 注意远离明火...
点击排行
10651
1
一文读懂高熵合金
10228
2
专家讲座2:断裂失效分析之金属断裂的微观机理与典型形貌
10172
3
侯保荣院士:“腐蚀调查”为防腐新技术推广应用打响第一炮
8970
4
【材料学堂】最全整理!EBSD的工作原理、结构、操作及分析方法!
8792
5
2021年度全国『杰青优青』最新立项名单汇总发布!
7936
6
2021年各省市杰青优青拟立项最新名单:近千人入选!
7791
7
2025国际海洋腐蚀防护产业大会暨海洋先进材料创新发展论坛在青岛盛大开幕!
7736
8
2025院士增选:哪些学者有望冲击院士头衔?
PPT新闻
“海洋金属”——钛合金在舰船的
点击数:11966
腐蚀与“海上丝绸之路”
点击数:9564