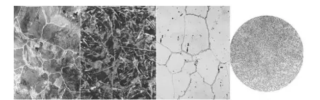
钢铁由铁矿石提炼而成,来源丰富,价格低廉。钢铁又称为铁碳合金,是铁(Fe)与碳(C)、硅(Si)、锰(Mn)、磷(P)、硫(S)以及其他少量元素(Cr、V等)所组成的合金。通过调节钢铁中各种元素的含量和热处理工艺(四把火:淬火、退火、回火和正火),可以获得各种各样的金相组织,从而使钢铁具有不同的物理性能。 将钢材取样,经过打磨、抛光,最后用特定的腐蚀剂腐蚀显示后,在金相显微镜下观察到的组织称为钢铁的金相组织。钢铁材料的秘密便隐藏在这些组织结构中。 在Fe-Fe3C系中,可配制多种成分不同的铁碳合金,他们在不同温度下的平衡组织各不相同,但由几个基本相(铁素体F、奥氏体A和渗碳体Fe3C)组成。这些基本相以机械混合物的形式结合,形成了钢铁中丰富多彩的金相组织结构。常见的金相组织有下列八种: 1. 铁素体
碳溶于α-Fe晶格间隙中形成的间隙固溶体称为铁素体, 属bcc结构,呈等轴多边形晶粒分布,用符号F表示。其组织和性能与纯铁相似,具有良好的塑性和韧性,而强度与硬度较低(30~100 HB)。
在合金钢中,则是碳和合金元素在α-Fe中的固溶体。碳在α-Fe中的溶解量很低,在Ac1温度,碳的最大溶解量为0.0218%,但随温度下降的溶解度则降至0.0084%,因而在缓冷条件下铁素体晶界处会出现三次渗碳体。随钢铁中碳含量增加,铁素体量相对减少,珠光体量增加,此时铁素体则是网络状和月牙状。
2. 奥氏体
碳溶于γ-Fe晶格间隙中形成的间隙固溶体称为奥氏体,具有面心立方结构,为高温相,用符号A表示。
奥氏体在1148℃有最大溶解度2.11%C,727℃时可固溶0.77%C;强度和硬度比铁素体高,塑性和韧性良好,并且无磁性,具体力学性能与含碳量和晶粒大小有关,一般为布氏硬度170~220HBS,断后伸长率δ=40%~50%。
TRIP钢(变塑钢)即是基于奥氏体塑性、柔韧性良好的基础开发的钢材,利用残余奥氏体的应变诱发相变及相变诱发塑性提高了钢板的塑性,并改善了钢板的成形性能。碳素或合金结构钢中的奥氏体在冷却过程中转变为其他相,只有在高碳钢和渗碳钢渗碳高温淬火后,奥氏体才能残留在马氏体的间隙中存在,其金相组织由于不易受侵蚀而呈白色。
3. 渗碳体
渗碳体是碳和铁以一定比例化合成的金属化合物,用分子式Fe3C表示,其含碳量为6.69%,在合金中形成(Fe,M)3C。渗碳体硬而脆,塑性和冲击韧度几乎为零,脆性很大,硬度为800HB。在钢铁中常呈网络状、半网状、片状、针片状和粒状分布。
4. 珠光体
由铁素体和渗碳体组成的机械混合物称为珠光体,用符号P表示。其力学性能介于铁素体和渗碳体之间,强度较高,硬度适中,有一定的塑性。
珠光体是钢的共析转变产物,其形态是铁素体和渗碳体彼此相间形如指纹,呈层状排列。按碳化物分布形态又可分为片状珠光体和球状珠光体二种。
(1)片状珠光体:又可分为粗片状、中片状和细片状三种。
(2)球状珠光体:经球化退火获得,渗碳体成球粒状分布在铁素体基体上;渗碳体球粒大小,取决于球化退火工艺,特别是冷却速度。球状珠光体可分为粗球状、球状、细球状和点状四种珠光体。
5. 贝氏体
是钢的奥氏体在珠光体转变区以下,Ms点以上的中温区转变的产物。贝氏体是铁素体和渗碳体的机械混合物,介于珠光体与马氏体之间的一种组织,用符号B表示。
根据形成温度不同,分为粒状贝氏体、上贝氏体(B上)和下贝氏体(B下)。
粒状贝氏体强度较低,但具有较好的韧性;下贝氏体既具有较高的强度,又具有良好的韧性;粒状贝氏体的韧性最差。贝氏体形态多变,从形状特征来看,可将贝氏体分为羽毛状、针状和粒状三类。
(1)上贝氏体:上贝氏体特征是:条状铁素体大体平行排列,其间分布有与铁素体针轴平行的细条状(或细短杆状)渗碳体,呈羽毛状。
(2)下贝氏体:呈细针片状,有一定取向,较淬火马氏体易受侵蚀,极似回火马氏体,在光镜下极难区别,在电镜下极易区分;在针状铁素体内沉淀有碳化物,且其排列取向与铁素体片的长轴成55~60度角,下贝氏体内不含孪晶,有较多的位错。
(3)粒状贝氏体:外形相当于多边形的铁素体,内有许多不规则小岛状的组织。当钢的奥氏体冷至稍高于上贝氏体形成温度时,析出铁素体有一部分碳原子从铁素体并通过铁素体/奥氏体相界迁移到奥氏体内,使奥氏体不均匀富碳,从而使奥氏体向铁素体的转变被抑制。这些奥氏体区域一般型如孤岛,呈粒状或长条状,分布在铁素体基体上,在连续冷却过程中,根据奥氏体的成分及冷却条件,粒贝内的奥氏体可以发生如下几种变化。
1)全部或部分分解为铁素体和碳化物。在电镜下可见到弥散多向分布的粒状、杆状或小块状碳化物;
2)部分转变为马氏体,在光镜下呈棕黄色;
3)仍保持富碳奥氏体。
粒状贝氏体中的铁素体基体上布有颗粒状碳化物(小岛组织原为富碳奥氏体,冷却时分解为铁素体及碳化物,或转变为马氏体或仍为富碳奥氏体颗粒)。羽毛状贝氏体,基体为铁素体,条状碳化物于铁素体片边缘析出。下贝氏体,针状铁素体上布有小片状碳化物,片状碳化物于铁素体的长轴大致是55~60度角。
6. 魏氏组织
它是一种过热组织,由彼此交叉约60度角的铁素体针片嵌入钢铁的基体而成。粗大的魏氏组织使钢材的塑性、韧性下降,脆性增加。亚共析钢加热时因过热而形成粗晶,冷却时又快速析出,故铁素体除沿奥氏体晶界成网状析出外,还有一部分铁素体从晶界向晶内按切变机制形成并排成针状独自析出,这种分布形态的组织称为魏氏组织。过热过共析钢冷却时渗碳体也会形成针状自晶界向晶内延伸而形成魏氏组织。
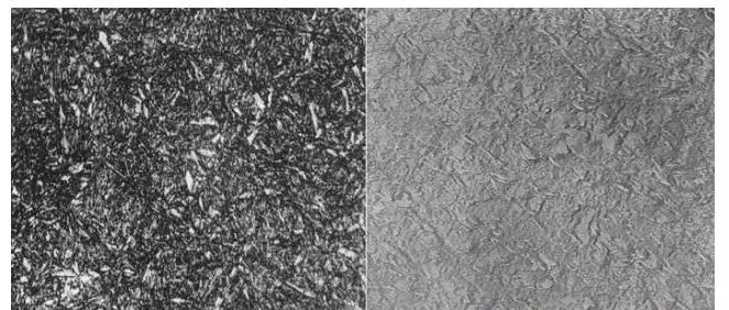
7. 马氏体
碳在α-Fe中的过饱和固溶体称为马氏体。马氏体有很高的强度和硬度,但塑性很差,几乎为零,用符号M表示,不能承受冲击载荷。马氏体是过冷奥氏体快速冷却,在Ms与Mf点之间的切变方式发生转变的产物。
这时碳(和合金元素)来不及扩散只是由γ-Fe的晶格(面心)转变为α-Fe的晶格(体心),即碳在γ-Fe中的固溶体(奥氏体)转变为碳在α-Fe中的固溶体,故马氏体转变是“无扩散”的根据马氏体金相形态特征,可分为板条状马氏体(低碳)和针状马氏体。
(1)板条状马氏体:又称低碳马氏体。尺寸大致相同的细马氏体条定向平行排列,组成马氏体束或马氏体领域;在领域与领域之间位向差大,一颗原始奥氏体晶粒内可以形成几个不同取向的领域。
由于板条状马氏体形成的温度较高,在冷却过程中,必然发生自回火现象,在形成的马氏体内部析出碳化物,故它易受侵蚀发暗。
(2)针状马氏体:又称片状马氏体或高碳马氏体,它的基本特征是:在一个奥氏体晶粒内形成的第一片马氏体片较粗大,往往贯穿整个晶粒,将奥氏体晶粒加以分割,使以后形成的马氏体大小受到限制,因此片状马氏体的大小不一,分布无规则。
针状马氏体按一定方位形成。在马氏体针叶中有一中脊面,碳量越高,越明显,且马氏体也越尖,同时在马氏体间伴有白色残留奥氏体。
(3)淬火后形成的马氏体经过回火还可以形成三种特殊的金相组织:
1)回火马氏体:指淬火时形成的片状马氏体(晶体结构为体心四方)于回火第一阶段发生分解—其中的碳以过渡碳化物的形式脱溶—所形成的、在固溶体基体(晶体结构已变为体心立方)内弥散分布着极其细小的过渡碳化物薄片(与基体的界面是共格界面)的复相组织;
这种组织在金相(光学)显微镜下即使放大到最大倍率也分辨不出其内部构造,只看到其整体是黑针(黑针的外形与淬火时形成的片状马氏体(亦称“α马氏体”)的白针基本相同),这种黑针称为“回火马氏体”。
2)回火屈氏体:淬火马氏体经中温回火的产物,其特征是:马氏体针状形态将逐步消失,但仍隐约可见(含铬合金钢,其合金铁素体的再结晶温度较高,故仍保持着针状形态),析出的碳化物细小,在光镜下难以分辨清楚,只有电镜下才可见到碳化物颗粒,极易受侵蚀而使组织变黑。
如果回火温度偏上限或保留时间稍长,则使针叶呈白色;此时碳化物偏聚于针叶边缘,这时钢的硬度稍低,且强度下降。
3)回火索氏体:淬火马氏体经高温回火后的产物。其特征是:索氏体基体上布有细小颗粒状碳化物,在光镜下能分辨清楚。这种组织又称调质组织,它具有良好的强度和韧性的配合。铁素体上的细颗粒状碳化物越是细小,则其硬度和强度稍高,韧性则稍差些;反之,硬度及强度较低,而韧性则高些。
8. 莱氏体
铁碳合金中的共晶混合物,即碳的质量分数(含碳量)为4.3%的液态铁碳合金,在1480℃时,同时从液体中结晶出奥氏体和渗碳体的机械混合物称为莱氏体,用符号Ld表示。
由于奥氏体在727℃时转变为珠光体,故在室温时莱氏体由珠光体和渗碳体组成。为区別起见将727℃以上的莱氏体称为高温莱氏体(Ld),727℃以下的莱氏体称为低温莱氏体(L'd)。莱氏体的性能与渗碳体相似,硬度很高塑性差。
免责声明:本网站所转载的文字、图片与视频资料版权归原创作者所有,如果涉及侵权,请第一时间联系本网删除。
官方微信
《腐蚀与防护网电子期刊》征订启事
- 投稿联系:编辑部
- 电话:010-62316606
- 邮箱:fsfhzy666@163.com
- 腐蚀与防护网官方QQ群:140808415














