氢脆(HE)通过氢与晶格缺陷的相互作用破坏金属构件的结构完整性,是氢能源基础设施部署面临的最持久技术障碍。尽管已提出氢增强局部塑性变形(HELP)、弱键理论(HEDE)、氢增强应变诱导空位(HESIV)以及HELP+HEDE复合模型等机制,但这些理论仍存在重大争议。
许多研究者将HE现象归因于氢抑制位错的交滑移,即“氢促滑移共面性”理论。该理论主要是以“氢增大滑移带宽度和高度”作为实验证据。然而,滑移带是位错演化在样品表面的凸起,而样品表面的位错演化与芯部是不同步的。此外,在比较氢对滑移带特征的影响时,未考虑晶体取向的影响,降低了“氢促滑移共面性”这一结论的科学严谨性。
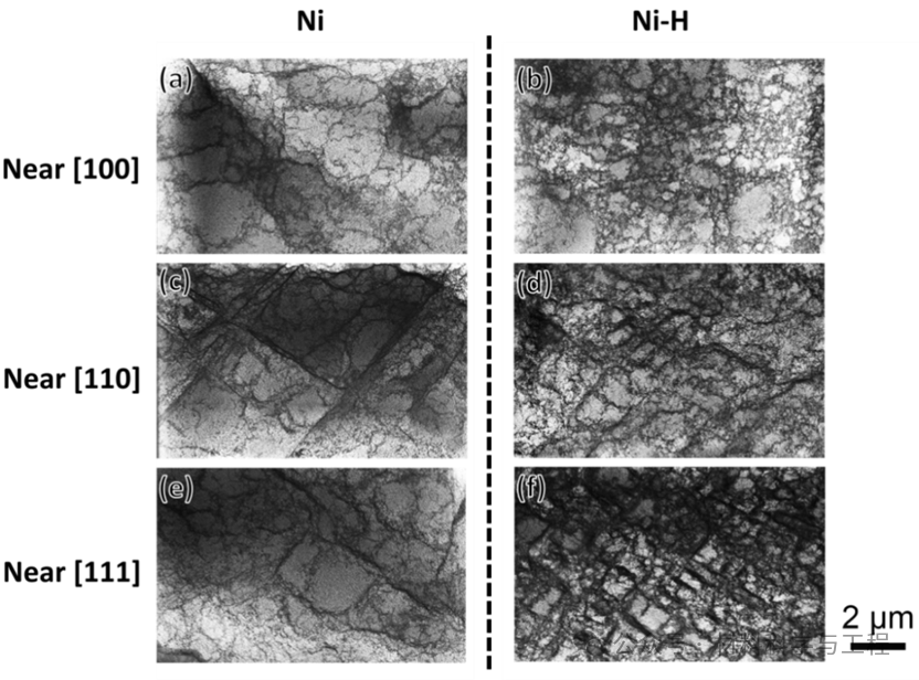
近期,中山大学孙擎擎等人从晶体取向效应和表体位错行为差异两个关键角度出发,对金属氢脆中被广泛引用的“氢促滑移共面性”理论进行了再探讨。相关研究成果以“Revisiting hydrogen-enhanced slip planarity in Ni”为题发表在《Scripta Materialia》。首先基于晶体取向关联性的滑移带宽度统计分析表明,充氢对纯Ni表面滑移带宽度几乎没有影响;其次基于晶体取向关联性的位错集群行为研究表明,充氢促进了位错胞的演化速率,产生了尺寸显著更小的位错胞,位错胞的产生依赖于交滑移,因此可以认为氢反而是促进了纯Ni中的交滑移;最后综合对比研究了Ni-H和Ni-Cr体系的力学性能、断裂形式、位错组态以及应力松弛行为(位错激活体积),发现促进平面滑移和脆性断裂之间没有必然的联系。
图1 不同取向纯Ni晶粒在充氢前后的滑移带特征
图2 不同取向纯Ni晶粒在充氢前后的滑移带宽度统计
图3 充氢前后不同取向纯Ni晶粒的位错组态(应变0.16)[ref. 40]:(a) (b) [100],(c) (d) [110],(e) (f) [111]
图4 Ni, Ni-H, Ni-Cr的拉伸曲线
图5 Ni和Ni-Cr的位错组态(应变0.13):(a) (b) [100],(c) (d) [110],(e) (f) [111]
表1 Cr与H对Ni的层错能、位错密度、位错激活体积、滑移平面性及断裂模式影响的比较
免责声明:本网站所转载的文字、图片与视频资料版权归原创作者所有,如果涉及侵权,请第一时间联系本网删除。
官方微信
《腐蚀与防护网电子期刊》征订启事
- 投稿联系:编辑部
- 电话:010-62316606
- 邮箱:fsfhzy666@163.com
- 腐蚀与防护网官方QQ群:140808415









